Phases: 2
Steps/Revolution: ±5%
Step Accuracy: 25N(5.6 Lbs.)Push
Radial: 30N(6.5 Lbs.)At End Shaft
IP Rating: 40
Operating Temp: -20℃ to +50℃


Languageif there is any quality problem after receiving bikes, we will solve them by our after-sale team with professional knowledge, once checked its problem, we will provide free replacement under warranty.


Languageif there is any quality problem after receiving bikes, we will solve them by our after-sale team with professional knowledge, once checked its problem, we will provide free replacement under warranty.
0Phases: 2
Steps/Revolution: ±5%
Step Accuracy: 25N(5.6 Lbs.)Push
Radial: 30N(6.5 Lbs.)At End Shaft
IP Rating: 40
Operating Temp: -20℃ to +50℃
A hybrid stepper motor or a HB stepper motor is a combination of the features of the variable reluctance stepper motor and permanent magnet stepper motor. HB stepper motors are the easiest devices for precise positioning control. They are widely being used in various application for position and speed via all kinds of control signals such as digital, analog, communication etc. HB motors come in different types including the basic type, encoder type, IP65 type, brake type and geared type.
| Phases | 2 |
| Steps/Revolution | ±5% |
| Step Accuracy | 25N(5.6 Lbs.)Push |
| 65N(15 Lbs.)Pull | |
| Radial | 30N(6.5 Lbs.)At End Shaft |
| IP Rating | 40 |
| Operating Temp | -20℃ to +50℃ |
| Insulation Class | B, 130℃ |
| Insulation Resistance | 100 MegOhms |
Electrical Specifications
| Series Model | Rated Current (A) | Phase Resistance (Ω) | Phase Inductance (mH) | Lead Wire (No.) | Holding Torque (N.cm) | Motor Length L (mm) | Rotor Inertia (g.cm²) | Motor Weight (g) | Step Angle (°) |
| 17HM0403 | 0.3 | 25 | 33 | 4 | 8 | 20 | 24 | 120 | 0.9 |
| 17HM2410 | 0.42 | 8 | 13 | 10 | 28 | 30 | 140 | ||
| 17HM3401 | 1.3 | 2.4 | 4 | 22 | 34 | 34 | 220 | ||
| 17HM4401 | 1.7 | 1.5 | 3.8 | 36 | 40 | 54 | 280 | ||
| 17HM4630 | 0.4 | 30 | 30 | 6 | 26 | ||||
| 17HM8401 | 1.7 | 1.8 | 4 | 4 | 42 | 48 | 68 | 350 | |
| 17HM8630 | 0.4 | 30 | 28 | 6 | 32 |
*Note:We can manufacture products according to customer’s requirements.
Wiring Diagram

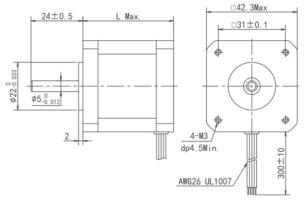
Dimensions(Unit: mm)

Torque Curves
Pulse Rate Vs Torque Characteristics (Pull-out Torque)
17HM3401

17HM4401

17HM4630

17HM8401


Product Application
Baolong products are widely used in textile machinery, medical equipment, communication equipment, security systems, vehicle manufacturing, as well as robotics, logistics warehousing, industrial automation and other industries. Baolong's R&D team is always ready to meet the increasingly differentiated needs of the market.

Why do we use Brushless Motor?
Brushless motors offer high performance, good speed-torque characteristics, long life and low maintenance costs, making them ideal for manufacturing applications.